この全体目次にすべてのページへのリンクがありますので、このページをブックマークしていただくと、利用していただきやすいと思います。 また、図面に標準詳細図番号の指定があって、その詳細図を参照したいときは、右上の[検索]に標準詳細図番号を入れて検索してみてください。 建築工事標準詳細図は、1-**-**~9-**-**の最初の番号1~9で大まかに分類されています。 その分類でジャンプできるように見出しと見出しリストを設けました。 目的・適用範囲・一般事項・適用方法・表示記号及び略号 1- 各種床仕上げ・トラフ・排水溝・グリストラップ・屋内防水 2- 各種壁仕上げ・軽量鉄骨壁下地・ALCパネル間仕切壁・地下二重壁 3- 各種天井仕上げ・カーテンボックス・開口補強 4- 建具形状寸法・建具取合い・シャッター 5- 屋上防水・屋上各部取合い・雨水排水・屋上緑化 6- 水回り諸室・和室各部 7- 断熱・階段・煙突 8- 仕上げユニット・サイン 9- 外構 目的・適用範囲・一般事項・適用方法・表示記号及び略号 目的・適用範囲・一般事項・適用方法 表示記号 略号 1- 各種床仕上げ・トラフ・排水溝・グリストラップ・屋内防水 1-01-1~10 床:仕上げ (モルタル・モルタルの上仕上げ、コンクリート直均し仕上げ・コンクリート直均し仕上げの上仕上げ、タイル、誘導用床材・注意喚起用床材、セルフレベリング材塗り、石材) 1-02-1~14 床:仕上げ (畳敷き、カーペット敷き、フローリングボード・複合フローリング、フローリングブロック、フリーアクセスフロア) 1-21-1~8 トラフ 1-22-1~2 排水溝、グリストラップ 1-31-1~5 屋内防水 (アスファルト防水、塗膜防水、合成高分子ルーフィングシート防水、器具取合い) 2- 各種壁仕上げ・軽量鉄骨壁下地・ALCパネル間仕切壁・地下二重壁 2-01-2~14 壁:仕上げ (内装タイル、外装タイル、ひび割れ誘発目...
- 4-21-1 標準型建具枠(鋼製建具)
- 4-21-2 標準型建具枠(簡易気密型鋼製建具)
- 4-21-3 標準型建具枠(鋼製建具)[内側の壁がモルタル仕上げの場合]
- 4-21-4 標準型建具枠(簡易気密型鋼製建具)[内側の壁がモルタル仕上げの場合]
4-21-1 標準型建具枠(鋼製建具)
平面
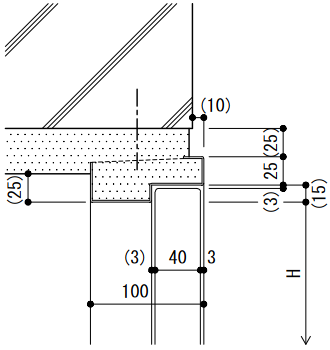
断面
<仕様>
- 1)戸当りゴムは、片開きの場合には縦枠、両開きの場合には上枠に取り付ける。
- 2)標準型建具の寸法は4-01による。
<特記事項>
- 1)枠の塗装の種別
4-21-2 標準型建具枠(簡易気密型鋼製建具)
平面
断面
<仕様>
- 1)戸当りゴムは、片開きの場合には縦枠、両開きの場合には上枠に取り付ける。
- 2)標準型建具の寸法は4-01による。
<特記事項>
- 1)枠の塗装の種別
4-21-3 標準型建具枠(鋼製建具)
平面
断面
<仕様>
- 1)戸当りゴムは、片開きの場合には縦枠、両開きの場合には上枠に取り付ける。
- 2)標準型建具の寸法は4-01による。
<特記事項>
- 1)枠の塗装の種別
4-21-4 標準型建具枠(簡易気密型鋼製建具)
平面
断面
<仕様>
- 1)戸当りゴムは、片開きの場合には縦枠、両開きの場合には上枠に取り付ける。
- 2)標準型建具の寸法は4-01による。
<特記事項>
- 1)枠の塗装の種別








コメント
コメントを投稿